產品名稱:
日本公制外螺紋/公制外螺紋 90°彎接頭
產品系列搜索
請選擇您想要尋找的相關產品系列
產品描述

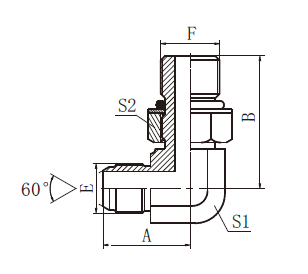
| 訂貨號 | 螺 紋 | O形圈 | 尺 寸 | |||||||
| E | F | F端 | A | B | S1 | S2 | ||||
| AK7-14/9 | M14X1.5 | M14X1.5 | O11.3X2.4 | 27.5 | 34.5 | 14 | 19 | |||
| AK7-16-14/9 | M16X1.5 | M14X1.5 | O11.3X2.4 | 28.5 | 35.5 | 16 | 19 | |||
| AK7-18-16/9 | M18X1.5 | M16X1.5 | O13.3X2.4 | 30.8 | 39.5 | 19 | 22 | |||
| AK7-18/9 | M18X1.5 | M18X1.5 | O15.3X2.4 | 30.8 | 42.5 | 19 | 24 | |||
| AK7-20-18/9 | M20X1.5 | M18X1.5 | O15.3X2.4 | 33 | 42.5 | 19 | 24 | |||
| AK7-22-20/9 | M22X1.5 | M20X1.5 | O17.3X2.4 | 35 | 45.5 | 22 | 27 | |||
| AK7-22/9 | M22X1.5 | M22X1.5 | O19.3X2.4 | 35 | ||||||
| AK7-24-20/9 | M24X1.5 | M20X1.5 | O17.3X2.4 | 40 | 47 | 24 | 27 | |||
| AK7-24-22/9 | M24X1.5 | M22X1.5 | O19.3X2.4 | 40 | 47 | 24 | 27 | |||
| AK7-24/9 | M24X1.5 | M24X1.5 | O21.3X3.0 | 40 | 47 | 24 | 32 | |||